Quadro 25 zelfsluitend - 42cm

Quadro 25 zelfsluitend - 42cm

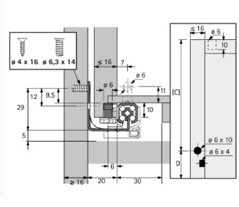
Per paar Minimale kastdiepte 433mm - uittrekverlies 74mm

Artikelnummer10-9135848
Quadro 25 zelfsluitend (= geen softclosing)

- Gedeeltelijk uittrekbaar
- Voor houten lades
- Belastbaar tot 25 kg
- Met opsteekmontage
- Aanbevolen schroef PK 4,0 x 16mm
11.82 *Prijs is inclusief 21% btw